KB model air clutch and brake unit

This product is a combination of a clutch and a brake.It is equal toASAHI KB, NIIKA PCCU, NEXEN PCCU,ASTON PCCU clutch and brake combined group.It is commonly used in forging equipment such as presses and die-cutting machinery.

Still deciding? Get samples first,  Contact US !

  • Description
  • Product Description

    KB-MODEL_11.jpg

    KB-MODEL_12.jpgKB-MODEL_13.jpg

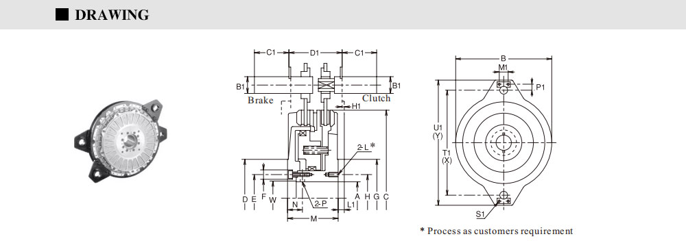
    Product Images And Product Chart

    KB-MODEL_08.jpg

    KB-MODEL_06.jpg

    KB-MODEL_07.jpg

    KB series air clutch & brake unit working theory:

    When it is not supply air pressure, brake braked, clutch released. After supplying air pressure, piston compresses braking springs, piston disc separated with brake friction plat and linked with clutch friction plate, then clutch linked, brake released. After exhausting air pressure, braking springs push piston to slide along the direction of the axis, piston disc separated with clutch friction plate, linked with brake friction plate, then clutch released, brake braked again.

    KB model clutch & brake unit has two kinds of air inlet modes, shaft air inlet and end air inlet.

    Specification

    KB-MODEL_05.jpgKB-MODEL_09.jpg

    1. Large torque, small axial dimension, various installation types can be choose freely and be suitable for various 

    kinds of working situation.

    2. Good heat dissipation, friction material is copper base powder metallurgy, it can bear high temperature.

    3. Clutch and brake combination, without supplying air pressure, clutch is releasing and brake braking. After supplying air pressure, clutch linked and brake released.

    4. Linking and braking switched in a moment, torque will not overlap.

    5. Replace friction plate without disassemble element.

    6. It is widely used in cold header, punching machine and shear machine and etc.

KB model air clutch and brake unit

This product is a combination of a clutch and a brake.It is equal toASAHI KB, NIIKA PCCU, NEXEN PCCU,ASTON PCCU clutch and brake combined group.It is commonly used in forging equipment such as presses and die-cutting machinery.

Still deciding? Get samples first,  Contact US !

Products Category

Inquire Now

Note: Please leave your email address, our professionals will contact you as soon as possible!