NAB model air brake

This product is an axial-mounted friction-type pneumatic brake. It is mostly used at the unwinding end of sheet materials. It is applied in printing and packaging machinery, rubber tire machinery, and automation machinery, etc.

Still deciding? Get samples first,  Contact US !

  • Description
  • Product Description

    1.Braking stable

    Braking stable and smooth via adjust air pressure.

    2.Mostly suitable for quite frequent sliding movement and high frequency usage

    Perfect heat dissipation, it can be used in high frequency, high load, and sliding movement.

    3.Wide adjustable range of torque

    It can adjust torque in wide range according to air pressure adjustment.

    4.Long service life and easy replacement of friction plate

    Thicker friction plate, little abrasion and long service life. And when replace, it works without changing anything ofthe mechanical equipment.

    Product Images And Product Chart

    NAB-MODEL_06.jpg

    NAB-MODEL_07.jpg


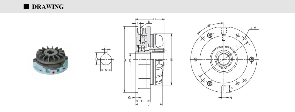
    Specification

    NAB model brake relies on air pressure to brake, return springs to release. After supplying air pressure, piston pushes piston aircraft and friction plate move towards to and compressed shaft attached lining disc, disc and other rotating parts stopped, brake braked. 

    After exhausting air pressure, piston aircraft and friction plate are separated with shaft attached lining disc by return springs, brake 

    released.

    It reduced heat generated from friction by cooling plate mounted 

    on disc with hub. Friction plate is two-cut style, using screwdriver

    to take out head inside screw through hole of disc with hub, in order to replace friction plate.

    NAB-MODEL_11.jpg

    NAB-MODEL_09.jpg

    NAB-MODEL_08.jpg

    NAB-MODEL_03.jpg1. Mounted onto shaft

    NAB model brake installs conical shaft spanned tube onto shaft in following order:

    1) Embed the key into shaft inside, and get brake body through shaft.

    2) Find the key, and install conical shaft spanned tube into where the key is embedded.

    3) Align the cut-out of conical shaft spanned tube to the bolt hole of shaft spanned disc and use three screws to fasten them. When fasten, pay attention to see the dial indicator, and the level deviation of fitting surface of pistol. Try to reduce the deviation to its minimum level and fasten interlaced, equally (fasten torque 

    recommended is as the following picture).



NAB model air brake

This product is an axial-mounted friction-type pneumatic brake. It is mostly used at the unwinding end of sheet materials. It is applied in printing and packaging machinery, rubber tire machinery, and automation machinery, etc.

Still deciding? Get samples first,  Contact US !

Products Category

Inquire Now

Note: Please leave your email address, our professionals will contact you as soon as possible!