AH model pneumatic actuated clutch brake

This product can well replace Eaton Airflex series pneumatic clutch brake.It is widely used in harsh working environments such as mines, oil fields, ships, and pumps.

Still deciding? Get samples first,  Contact US !

  • Description
  • Product Description

    AH-MODEL_03.jpgAH-MODEL_07.jpg



    1.Small size, transmit high torque.

    2.Long service life, excellent abrasion of linings.

    3.Simply structure, easy disassembly & assembly.

    4.Work as brake or clutch.

    5. Tube and lining are separately, so it can be replaced each parts easily. Also the aluminum shoes help the air cooling by ventilation.

    There are some models of this equal Eaton Airflex VC type air tube clutch brake:

    Narrow type:

    11.5VC500 14VC500 16VC600 20VC600 24VC600 28VC650 33VC650 35VC650 37VC650 42VC650

    Wide ntype:

     DW12VC1000 DW14VC1000 DW16VC1000 DW20VC1000 DW24VC1000 DW28VC1000 DW32VC1000 DW38VC1200 DW42VC1200 DW46VC1200 DW52VC1200 DW51VC1600

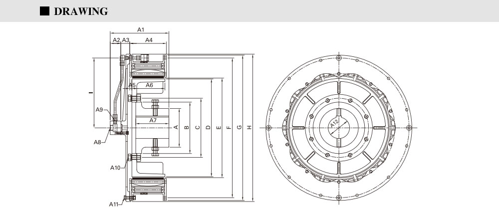
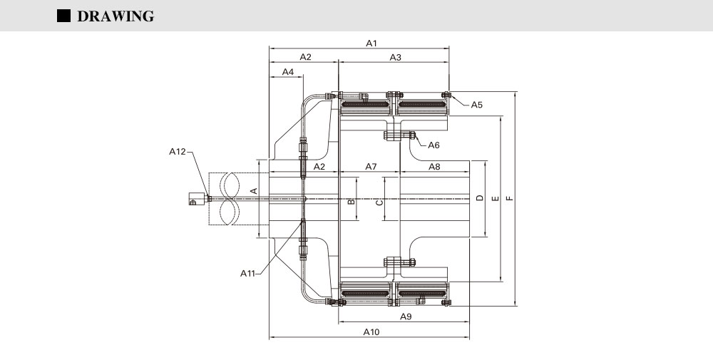
    Product Images And Product Chart


    AH-MODEL_04.jpgAH-MODEL_05.jpg

    AH model pneumatic drum type clutch working theory:

    Inputting air source, air tube expanded and then push AL shoe & lining forward to hug drum tightly.AL shoe & lining is composed of friction linings, springs and torque bar.Torque is delivery from driving shaft, through installation flange plate, side plate, torque bar to aluminum shoe and friction linings. In this way, clutch force is transmitted to driven part (clutch drum hub and other installation parts) via friction linings. After exhausting air source, clutch separated under the action of release springs and centrifugal force.

    Most spare parts can be replaced independently, it is easy and convenient for industrial usage. Such as aluminum shoe, friction linings, torque bar, springs, air tune, side plates and etc.

    Specification

    AH-MODEL_06.jpgAH-MODEL_08.jpg1.Small size, transmit high torque.

    2.Long service life, excellent abrasion of linings.

    3.Simply structure, easy disassembly & assembly.

    4.Work as brake or clutch.

    5. Tube and lining are separately, so it can be replaced each parts easily. Also the aluminum shoes help the air cooling by ventilation.

    There are some models of this equal Eaton Airflex VC type air tube clutch brake:

    Narrow type:

    11.5VC500 14VC500 16VC600 20VC600 24VC600 28VC650 33VC650 35VC650 37VC650 42VC650

    Wide ntype:

     DW12VC1000 DW14VC1000 DW16VC1000 DW20VC1000 DW24VC1000 DW28VC1000 DW32VC1000 DW38VC1200 DW42VC1200 DW46VC1200 DW52VC1200 DW51VC1600


AH model pneumatic actuated clutch brake

This product can well replace Eaton Airflex series pneumatic clutch brake.It is widely used in harsh working environments such as mines, oil fields, ships, and pumps.

Still deciding? Get samples first,  Contact US !

Products Category

Inquire Now

Note: Please leave your email address, our professionals will contact you as soon as possible!